Dernière minute ! Il reste une place (un couple) pour la sortie Spatules ! Cliquez ici pour en savoir plus.

Problème lève vitre côté passager RESOLU !

Message :
le 21/08/2024 à 19:13
Bonjour à tous

Profitant d'une motivation temporaire je viens de décider de m'attaquer à un problème de lève vitre côté droit qui est survenu à l'occasion d'une virée dans l'Ain pour déguster quelques cuisses de grenouille avec des amis. Je me suis probablement rendu coupable d'un crime de lèse majesté que titine a décidé de me faire payer sur le champs.

En effet, une fois rentré à la maison et stationné la rebelle dans son nid douillet v'là t'y pas que je n'arrive plus à entrebailler la vitre du côté passager. Oui, avant de la recouvrir de sa housse je prends toujours le soin de laisser un peu d'air traverser l'habitacle pour créer une ventilation et éviter que de l'humidité s'installe en baissant les vitres de 2 à 3 cm. Bref, j'ai beau manoeuvrer l'interrupteur dédié sur la portière gauche ou sur celle de droite rien n'y fait, nada ! Se faisant tard, je décide de remettre ça au lendemain. C'était en avril, c'est dire que le lendemain a tardé à venir

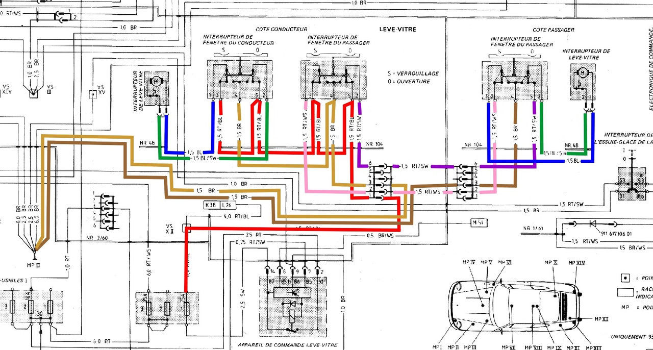
Donc, armé d'un multimètre je décide aujourd'hui de m'attaquer à la bête. J'extrais l'interrupteur passager pour vérifier ce qui arrive à ses bornes. Je mesure bien du 12 volts entre la borne 4 (masse permanente) et les bornes 1, 2, 3, 5. Jusque là tout est normal. Je débranche donc l'interrupteur pour contrôler son bon fonctionnement. Je constate qu'en position "ouverture" les bornes 1 et 4 sont en contact et qu'en position inverse ce sont bien les bornes 2 et 4 qui prennent le relais. Aucun problème donc du côté interrupteur. Une fois l'interrupteur reconnecté à la voiture je décide de débrancher un des fils du moteur (borne 1) et de le mettre en contact avec la masse (borne 4) puisque les deux fils du moteur sont alimentées en 12 volts lorsque l'interrupteur est au repos. Rien ne se passe sauf une légère étincelle au niveau de mon pontage quand je relâche le contact avec la borne 4. Je reconnecte le fil sur la borne 1 et Je fais ensuite l'inverse en reliant le fil déconnecté (borne 2) avec la masse (borne 4) et c'est le même constat (rien ne se passe et il y a aussi une légère étincelle à la déconnexion de la masse). Enfin je mesure l'ampérage entre les 2 fils du moteur après les avoir déconnectés de l'interrupteur et je constate qu'il n'y a aucune résistance ce qui me laisse penser que ce dernier est en court circuit et que le faisceau n'est pas coupé.

En résumé, je vais devoir changer le moteur à moins que quelqu'un pense à une autre explication...

Quelqu'un qui aurait déjà fait cette intervention pourrait-il me faire un retour d'expérience ?

D'avance un grand merci !

PJ : un petit schéma pour aider à la compréhension


Message édité le 28/08/2024
le 21/08/2024 à 20:23
Bonsoir,
Si le moteur était en court-cicuit ce ne serait pas une "petite" étincelle qui se produirait ...
Pour tester le moteur je suggère de faire un essai en l'alimentant directement sans passer par l'interrupteur et le faisceau électrique de la voiture.
Utiliser directement la batterie de la voiture ou une batterie auxiliaire.
Attention lors du branchement du second fil. Surveiller la "taille" de l'étincelle, il ne s'agit pas faire de la "soudure" .
Permuter les 2 fils pour voir si le moteur fonctionne bien dans les 2 sens de rotation.
Si aucune réaction du moteur, soit le mécanisme est bloqué et le moteur n'arrive pas le débloquer, soit le moteur est mort.
Si le moteur réagit il faut chercher côté faisceau électrique et les 2 interrupteurs
Message édité le 21/08/2024
le 21/08/2024 à 21:06
Bonjour Denis,
Le moteur n'a aucune réaction (aucun bruit genre bourdonnement comme ça devrait être le cas si le mécanisme était bloqué), que ce soit dans un sens de branchement comme dans l'autre.
D'autre part, l'étincelle est quand même bien visible genre étincelle d'une bougie.
Message édité le 21/08/2024
le 22/08/2024 à 09:36
Le moteur électrique est une charge inductive, donc une petite étincelle n'a rien d'alarmant au branchement ou débranchement. Mais si tu dis que ça ne bouge pas et que l'étincelle est conséquente, ça sent le moteur bloqué. Par contre je n'ai pas compris ton histoire d'ampérage et de résistance. Tu as mesuré quoi exactement, la résistance en position ohmmètre ou l'intensité en mode ampèremètre ? C'est pas du tout la même chose. Comme tu dis qu'il n'y a aucune résistance, ça me fait penser que tu as mesuré en position ohmmètre. J'interprète ton expression "aucune résistance" comme zéro ohm, c'est ça ?

J'ai une autre question tout à fait autre : où t'es-tu procuré ce schéma avec les légendes en français ? Première fois que je le vois pour une 3.2. J'ai toujours cru que les schémas pour la 3.2 n'étaient disponibles qu'en allemand et en anglais. Sur le cul je suis. Et j'en veux bien un exemplaire s'il existe sous forme de fichier.
le 22/08/2024 à 11:13
Bonjour Wazz,

Oui j'ai mesuré en Ohmmètre (vieux Metrix à aiguille), et donc mon indicateur est à fond comme pour un contact direct entre les sondes du multimètre.
Que je règle à 15A ou à 30mA c'est toujours à fond. Aucune résistance du bobinage du moteur ce qui me laisse penser qu'il est en court-circuit.

Pour le schéma, c'est la CP qui m'a photocopié son manuel d'atelier. C'est spécifique à l'année 1986 qui est une année de transition.
le 22/08/2024 à 11:35
Bonjour Je peine à comprendre ton explication: ohmmètre pour tester une continuité ok , mais que viens faire le réglage ampèremétrique, cela n a
rien à voir, c'est plutôt en Ohm ?
Si tu as une étincelle donc résistance, ton metrix ( doux souvenir) dois le voir, vérifie ton
réglage positon ohm, calibre en premier le plus grand et ensuite tu
descends décade par décade
teste ensuite chaque fil du moteur avec la masse résistance infinie ( à mon avis c'est bon sinon le fusible aurai brulé)
Ayant changé il y 2 mois le pantographe de la vitre passager sur ma 3.2l de
86 targa, je te conseille, si tu interviens, non seulement de prendre
des photos, mais de bien repérer l'emplacement des réglages lorsqu'il y a
des lumières, cela au remontage t' éviteras de galérer, tu n'auras que
des petits ajustements. Note bien l'ordre au démontage et de ne pas l'
intervertir lors du remontage car cela bloque ( vécu)
Bon courage
le 22/08/2024 à 12:07
Oui les vieux Metrix à aiguille, c'est bien, mais il faudrait peut-être penser à investir dans une chinoiserie numérique. On en trouve de très bons pour quelques dizaines d'euros. Tu bénéficierais de la grande impédance d'entrée (absence d'interférence de l'appareil de mesure avec le circuit mesuré en position voltmètre) et d'une plus grande sensibilité pour la mesure des très grandes résistances de plusieurs dizaines de mégohms.
le 22/08/2024 à 12:30
Bonjour sedoro94

Oui, j'ai dit des conneries en effet j'ai mélangé les Ampères et les Ohms dans mes explications.

Donc, reprenons l'explication. J'ai donc réglé mon Métrix sur Ohms et ajusté l'aiguille à zéro Ohms quand les deux pointes du testeur sont en contact



Ensuite j'ai testé chacun des fils du moteur avec la masse et j'ai mesuré une résistance infinie (l'aiguille reste à gauche). J'ai mesuré après la résistance du bobinage du moteur entre les deux fils du moteur et là mon aiguille est allée presque à fond à droite (soit 0,5 Ohms). Je ne pense pas que le bobinage du moteur ait une résistance si faible. Ces 0,5 Ohms doivent venir de la résistance du câblage entre le moteur et l'interrupteur. J'en ai donc déduit que le moteur était en court-circuit.
Message édité le 22/08/2024
le 22/08/2024 à 12:30
Dixit wazzOui les vieux Metrix à aiguille, c'est bien, mais il faudrait peut-être penser à investir dans une chinoiserie numérique. On en trouve de très bons pour quelques dizaines d'euros. Tu bénéficierais de la grande impédance d'entrée (absence d'interférence de l'appareil de mesure avec le circuit mesuré en position voltmètre) et d'une plus grande sensibilité pour la mesure des très grandes résistances de plusieurs dizaines de mégohms.
Oui j'en ai un mais je le trouve un peu merdique
le 22/08/2024 à 13:53
Dixit JMP74Bonjour sedoro94

Oui, j'ai dit des conneries en effet j'ai mélangé les Ampères et les Ohms dans mes explications.

Donc, reprenons l'explication. J'ai donc réglé mon Métrix sur Ohms et ajusté l'aiguille à zéro Ohms quand les deux pointes du testeur sont en contact



Ensuite j'ai testé chacun des fils du moteur avec la masse et j'ai mesuré une résistance infinie (l'aiguille reste à gauche). J'ai mesuré après la résistance du bobinage du moteur entre les deux fils du moteur et là mon aiguille est allée presque à fond à droite (soit 0,5 Ohms). Je ne pense pas que le bobinage du moteur ait une résistance si faible. Ces 0,5 Ohms doivent venir de la résistance du câblage entre le moteur et l'interrupteur. J'en ai donc déduit que le moteur était en court-circuit.Message édité le 22/08/2024
Mais quand tu prends ces mesures, c'est bien avec les deux cosses ou fils du moteur de lève-vitre débranchées ? J'ai l'impression que non d'après ce que tu décris. Il faut faire les mesures sur le moteur en l'isolant du reste. Sinon c'est plus dur à interpréter.
Sinon, je pense que tu avais compris que sur le schéma en "français", pour "Interrupteur du lève vitre", dans les deux cas, il faut comprendre "Moteur du lève-vitre". Ces schémas sont pleins d'erreurs dans leur version originale et la version traduite en a rajouté une belle couche. Raison pour laquelle j'ai refait les planches de schéma du modèle 88 à ma sauce, mais en anglais.
le 22/08/2024 à 14:20
Oui oui, bien sûr j'ai mesuré le moteur à travers son câblage déconnecté de l'interrupteur.

Et pour la traduction j'ai aussi compris qu'il s'agissait du moteur. Le symbole du dessin est assez clair.
Message édité le 22/08/2024
le 23/08/2024 à 22:44
Afin de dissiper toute suspicion de mauvaise masse ou 12v, j'ai alimenté le moteur en direct (déconnecté de l'interrupteur ) depuis la batterie (+ et masse) et le problème est parfaitement identique. Aucun bruit ni mouvement du moteur que ce soit branché dans un sens ou dans l'autre. Il y a également la même étincelle quand je retire un des fils d'alimentation.

À l'évidence le moteur est en court-circuit. Je vais devoir le changer. D'ailleurs à ce sujet je suis étonné que le fusible n'ait pas sauté... je pense que cela vient du fait que les sollicitations ont toujours été courtes. Je n'ai jamais maintenu l'interrupteur plus d'une seconde à chaque fois et comme c'est un 25A...

J'ai lu que ce n'était pas une partie de plaisir comme intervention bien que, dans mon cas, j'aie la chance que la vitre soit bloquée en position haute.

Si vous avez des conseils pour le démontage n'hésitez pas à partager
Message édité le 23/08/2024
le 24/08/2024 à 09:37
Tu devrais répéter la manip avec ton Metrix en position ampèremètre, s'il y a une plage suffisante. D'après la photo de la face avant, pas sûr du tout que tu puisses mesurer plusieurs ampères. Mais il y a une fiche Shunt, je ne sais pas ce que c'est mais ça pourrait être le shunt de mesure ampèremétrique. Tu pourrais ainsi savoir quelle intensité est tirée par le moteur bloqué. As-tu sinon la possibilité de faire une mesure à l'ohmmètre grande sensibilité (plusieurs mégohms) entre chaque fil allant au moteur et la masse de l'auto ? Ceci pour t'assurer que les deux fils sont bien isolés de la masse. Fais-le avec ton DMM numérique chinois si tu peux.
le 24/08/2024 à 09:59
Bonjour En effet curieux que le fusible n'ai pas sauté, car un moteur en CC c'est plusieurs ampères en instantané. Si, avec le metrix tu as le calibre 15A donc tu peux mesurer le courant, avec tout ton respect l'ampermetre se met en série. Pour moi le moteur n'est pas en CC, mais bloqué mécaniquement peut être par le pantographe. De toutes façons tu n'échapperas pas au démontage de la garniture, et là tu verras certaine chose avant de démonter le mécanisme. Attention il y a deux types de mécanismes ( pour la mienne de 86) donc enregistre bien le tien lors d’éventuelle commande.
le 24/08/2024 à 13:39
J'ai mesuré en mode ampèremètre et je trouve 11 A en me branchant en série sur le circuit du moteur via l'interrupteur...

D'autre part avec ma chinoiserie je mesure 1,5 Ohms (j'avais 0,5 avec le Metrix)
le 24/08/2024 à 13:47
1,5 par rapport à quelle résistance parasite des sondes ? Elle n'est jamais à zéro. Cette résistance parasite est à soustraire de la mesure. Avant de mesurer de si petites résistances, bien vérifier que les sondes sont bien propres et solidement enfichées dans le multimètre. Tourner les fiches bananes sur elles-mêmes pour être sûr du contact. Pareil pour l'extrémité des sondes, bien les frotter l'une contre l'autre et après, les appliquer sur le circuit à mesurer en exerçant une bonne pression. On a souvent des surprises d'une mesure à l'autre.
le 24/08/2024 à 14:47
T’as essayé de démonter ton moteur ?
c’est souvent plein de graisse à l’intérieur et celle ci peut carrément être figée avec le temps, limite dure comme de la pierre et tout est bloqué
le 24/08/2024 à 14:48
Oui c'est sûr ! En même temps la précision n'est pas primordiale dans ce cas, on n'est pas sur de l'électronique.

Ma question est surtout sur les 10A...

CC ? Je pense pas du coup...
Message édité le 24/08/2024
le 24/08/2024 à 14:53
Dixit François77T’as essayé de démonter ton moteur ?
c’est souvent plein de graisse à l’intérieur et celle ci peut carrément être figée avec le temps, limite dure comme de la pierre et tout est bloqué
Non pas encore, je n'en suis qu'aux préliminaires
le 24/08/2024 à 19:25
Dixit JMP74Oui c'est sûr ! En même temps la précision n'est pas primordiale dans ce cas, on n'est pas sur de l'électronique.

Ma question est surtout sur les 10A...

CC ? Je pense pas du coup...Message édité le 24/08/2024
Bonsoir Pour moi ton moteur n'est pas en court circuit, l’intensité serait supérieure, le fusible de mémoire 25a donc normal qu il ne claque
pas il est bloqué et se comporte comme une résistance fixe, tu as trouvé une resistance entre 0.5 et 1.5 ohm donc prenons 1 ohm I = U/R soit 12/1 = 12 A on est dans le même ordre de grandeur3

Revenir à la liste des sujets

Sujet archivé.