Dernière minute ! Il reste une place (un couple) pour la sortie Spatules ! Cliquez ici pour en savoir plus.

Electricité 911 de 1976

Message :
le 06/07/2025 à 12:20
Bonjour, je remonte le faisceau complet de ma carrera 3.0 de 76, concernant la boite à fusibles avant il me reste 2 fils à brancher...

Quelqu'un aurait-il une photo où l'on voit bien la couleur des fils? ou bien un schéma de cette boite?

Merci beaucoup!
Message édité le 09/08/2025
Message édité le 31/08/2025
le 22/07/2025 à 19:50
Hello, voici une photo de la mienne ( carrera 3.0 1976)
photo boite a fusible carrera 3.0 1976
Message édité le 22/07/2025
le 23/07/2025 à 08:56
C'est quel fils qui ne sont pas branchés : Couleurs et section (si possible) ?
le 23/07/2025 à 09:14
Salut,

Normalement toute la doc est là : (clic)
le 07/08/2025 à 12:13
Dixit FlatScCabC'est quel fils qui ne sont pas branchés : Couleurs et section (si possible) ?
Bjr, c est un noir à point gris et un noir à point rouge section 0,75 ou 1mm merci!

J ai d'autres fils dont je n'arrive pas a trouvé où ils vont, un fils bleu pret du moteur de ventilation, 1 fils blanc a point vert pret de l'allum cigare et 2 autre fils derrière la commande de Ventil: 1 jaune rouge couplé a un noir et un bleu. Je vais essayer de poster des photos
le 07/08/2025 à 12:47
Pour les deux premiers, je dirais bien ceux que j'ai repérés sur le schéma (fusibles S4 et S3, respectivement pour les feux de position gauche et droit) :

Message édité le 07/08/2025
le 07/08/2025 à 13:00
Dixit chatox57Bjr, c est un noir à point gris et un noir à point rouge section 0,75 ou 1mm merci!

J ai d'autres fils dont je n'arrive pas a trouvé où ils vont, un fils bleu pret du moteur de ventilation, 1 fils blanc a point vert pret de l'allum cigare et 2 autre fils derrière la commande de Ventil: 1 jaune rouge couplé a un noir et un bleu. Je vais essayer de poster des photos
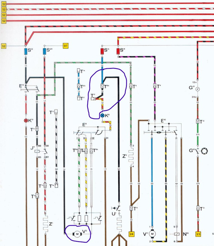
Voici pour cette partie, que j'ai entourée. Fil jaune/rouge couplé à un noir et un bleu. J'ai aussi entouré le moteur de ventil (V2) en bas.
Accessoirement, tu peux aussi voir qu'il y a un fil blanc à points verts reliant le bloc résistances du moteur de ventil à la vitesse 1 du curseur E9.


Et tu n'as pas les schémas pour t'aider ?
le 07/08/2025 à 13:37
photo 3
photo 2
photo 1
Merci beaucoup! je vais regarder cela .
j'ai bien les schémas, ils m'ont déjà bien aidés(remontage complet du faisceau) mais je n'ai pas tout trouvé!

ci joint les photos!
Message édité le 07/08/2025
Message édité le 07/08/2025
le 07/08/2025 à 14:12
Dixit AM54000Hello, voici une photo de la mienne ( carrera 3.0 1976)
photo boite a fusible carrera 3.0 1976Message édité le 22/07/2025
merci, auriez vous une photo de la partie électrique dans le compartiment moteur où on voit les fils avec les 3 fusibles? merci!
le 07/08/2025 à 14:38
Les photos ça sert pas à grand chose. Il faut suivre le schéma, mais je réalise que tu l'avais déjà et qu'apparemment tu t'en sers pas. Sinon tu aurais trouvé ce que j'ai posté. Regarde où va l'autre extrémité du fil. Prends un ohmmètre pour vérifier les continuités.

Les fils avec les 3 fusibles dans le compartiment moteur c'est standard, pas besoin de photo. Fusibles repérés S22, S23 et S24 sur le schéma.
le 07/08/2025 à 15:44
merci je vais comparer avec le schéma.
le 07/08/2025 à 21:48
Dixit wazzVoici pour cette partie, que j'ai entourée. Fil jaune/rouge couplé à un noir et un bleu. J'ai aussi entouré le moteur de ventil (V2) en bas.
Accessoirement, tu peux aussi voir qu'il y a un fil blanc à points verts reliant le bloc résistances du moteur de ventil à la vitesse 1 du curseur E9.

Et tu n'as pas les schémas pour t'aider ?
Je ne comprend pas trop, la cosse t1f avec les fils rouge/jaune et noir, ou doit elle se brancher??? De meme que la cosse t1f bleu situé à côté Merci
le 31/08/2025 à 14:56
Bonjour, je suis tjrs dans l impasse concernant la lecture du schéma électrique, qqun saurait il me dire a quoi correspond les cosse t1f ? Merci

Revenir à la liste des sujets