DME de 3.2L de 1986

Message :
le 10/01/2026 à 15:22
Bonjour.
Je suis à la recherche de photos de l'intérieur du DME MOTRONIC 91161811109 Bosch 0261200051 et si un des Membres aurait les plan électronique des 2 PCB.
Ca serait sympa...
Merci à vous.
le 10/01/2026 à 16:45
ici
911Chips.com - Motronic DME Update
le 10/01/2026 à 16:52
Merci proporsche, mais on ne vois qu'1/10e des PCB.
J'avais déjà vu ce site.
PS: Au fait, je t'avais répondu via la messagerie pour les bougies que j'avais monté, des NGK BR8ES. Je ne sais pas si la messagerie à bien fonctionnée
Message édité le 10/01/2026
le 10/01/2026 à 17:20
et tu veux faire quoi au juste avec des schémas du boîtier motronic ????

je serais curieux de savoir…

pour info des schémas complet il n’en existe qu’un seul dispo et tu le trouveras sur internet en cherchant avec le mot ML31 mais… vue que je connais plutôt très bien l’engin, et que toi tu viens de débarquer depuis 3 mois dans notre marque favorite, je te mets juste en garde : c’est fragile, ça crame facilement et 1 composant n’existe pas en retail et bosch ne le vend pas…

donc avant de jouer à l’apprenti sorcier demande plutôt avant de partir bille en tête…
le 10/01/2026 à 17:22
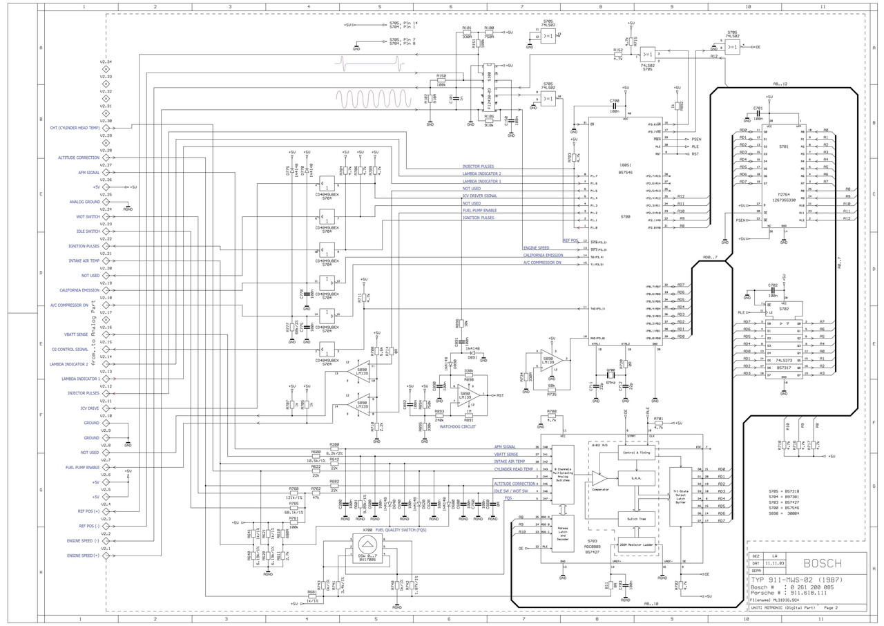
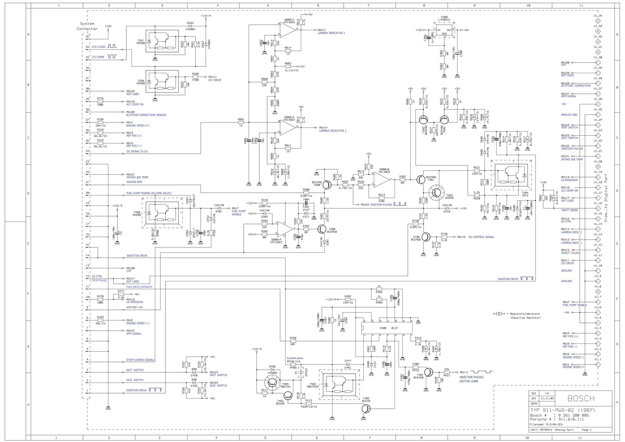
Schémas avec mes propres corrections en rouge et annotations en bleu, notamment pour une identification plus facile des signaux. Tu peux télécharger les images en haute définition zoomable par un clic droit dessus, puis Ouvrir dans un autre onglet.

Partie analogique :


Partie numérique :
le 11/01/2026 à 07:35
le 11/01/2026 à 09:59
Merci beaucoup wazz pour les schémas (par contre je ne vois pas d'annotations) et BertoSpid pour la photo. Très sympa de votre part.
Ca va me permettre d'étudier.
Gédéon 25, il n'y à pas longtemps que je possède ma première Porsche et oui je suis nouveau sur ce Forum.
Après j'ai vu que tu tiens une société de réparations de composants électriques et électroniques de véhicules et je ne remet pas en question tes connaissances et
certainement ton professionnalisme et je comprends que tu veuilles protéger ta paroisse...
Après est ce que tu me connais ? Non!
Tu connais mon parcoure professionnel ? Non!
Alors je vais t'en dire un peu plus:
Je suis Electrotechnicien, J'ai fais 35 ans de SAV dans une grande marque de chariots élévateurs et je dépannais et programmais des tridirectionnels en "filoguidage" puis de AGV en guidage lazer.
Du coup, je dépannais des cartes avec de "l'électronique à Papa" comme Le MOTRONIC. C'est vrai qu'en fin de carrière c'était du "multicouches" et cms et même coulé dans la résine, donc pas possible pour moi de les réparer (pas équipé pour).
Je suis aussi collectionneur de flippers, et je les dépannes moi même jusqu'à un certain point car oui, comme tu dis il y à des composants introuvables et seul des Professionnels comme toi qui ont ces composants ou une modif de la carte pour pallié au problème.
Donc, je ne vais pas jouer à "l'apprenti sorcier" comme tu dis, je vais contrôler les soudures, peut être remplacer les condensateurs qui vieillissent (comme dans les flippers) et puis c'est tout!
Mon boitier fonctionne, mais comme j'ai notifié dans mes postes, j'ai des microcoupures. Pour l'instant je contrôle tout le reste et l'ouverture du MOTRONIC sera la dernière étape.
J'espère que ce poste "d'éclaircissement" ne va pas te froisser, ce n'est pas le but.
Message édité le 11/01/2026
le 11/01/2026 à 12:26
Comment ça tu ne vois pas d'annotations ? Par exemple, tous les noms de signaux en bleu et les formes d'onde, c'est moi qui les ai rajoutés.


Idem ces corrections en rouge, inversion du signal ADV13 avec le signal ADV12 plus bas :


Ou encore ces flèches qui étaient dans le mauvais sens :


Si tu trouves les schémas d'origine qui circulent sur le net, tu verras que ces annotations n'y figurent pas. C'est bibi qui les a rajoutées.
le 11/01/2026 à 13:22
Super, merci wazz
le 11/01/2026 à 13:41
De rien. Concernant les condos, je te déconseille d'y toucher. Ils font leur boulot vaillamment depuis des décennies et ils le feront encore longtemps. Je parle de tous les non polarisés, notamment les WIMA rouges. Il n'y a qu'un seul chimique à changer éventuellement, mais s'il n'est pas gonflé, laisse-le en place. Il n'a qu'une fonction de filtrage de l'alim. Ce n'est pas de la haute technologie ni de l'alim à découpage qui nécessite des capas à faible ESR. Si j'étais toi je me concentrerais plutôt sur les éventuels mauvais contacts dus à des soudures qui finissent par microfissurer. Notamment celles de la partie allumage.

En guise de test, tu peux laisser le Motronic branché mais retiré de dessous le siège, faire tourner le moteur au ralenti et soumettre le boîtier à quelques chocs, par exemple en le secouant et en le lâchant de quelques dizaines de cm sur le plancher de l'auto. Tu verras alors si ça te perturbe le fonctionnement du moteur. Possible que ça le coupe carrément, tu seras alors plus vite fixé. Les pannes intermittentes y a pas pire. Mieux vaut que ça lâche pour de bon, car tu peux alors diagnostiquer point par point.
le 11/01/2026 à 15:53
Merci wazz.
Oui, comme sur mes flippers, ces les condos électrochimiques qui vieillissent mal. Après mon boitier fonctionne, je pense plus à "soudures sèches".
Comme j'ai mis plus haut, j'ai fais du dépannage une bonne partie de ma vie, et oui les pannes intermittentes sont les plus compliqués à trouver et il faut y
aller petit à petit par élimination sinon on se crée de nouvelles pannes et après c'est l'enfer!
Mon problème se manifeste qu'en roulant , donc compliqué de secouer le motronic en roulant ou il faut que je trouve une copine penché sur mon "entre jambes" et qui le secoues le boitier en roulant>> Ca va faire désordre si je croise les bleus
le 11/01/2026 à 16:36
Inspecte (ou refait) toutes les soudures du "peigne" de connexion... (le long ovale rouge sur la photo)
Dans mon cas, la panne aléatoire venait d'une soudure sèche d'une broche sur la platine. ..
le 11/01/2026 à 16:37
je ne prêche pas pour ma paroisse, je cherche à éviter des catastrophes, nuance…

je suis collectionneur de flip tu vois on a un point commun, fou des system 11 de chez williams… sauf que dans un flipper il n’y a rien d’introuvable… dans un motronic, si…

maintenant si tu veux juste reprendre tes soudures vas y, c’est la base… pour le reste, sincèrement, évite de trop toucher… pourquoi on conseille de ne pas toucher ? parce qu’on a tout le temps des gens qui se sentent « capables », et dans certains cas malheureusement trop nombreux, les boîtiers se retrouvent dans un état pire après qu’avant leur passage.

je ne suis pas ici pour chercher du boulot, j’en ai déjà trop, donc mes conseils et les interventions sont plus à prendre comme des conseils de sagesse de la part d’un passionné avant tout.
le 11/01/2026 à 18:05
Berto y a pas de soudures sèches dans le Motro. C'est soudé à la vague. Tu veux probablement parler de soudures qui se craquellent ou fissurent. Sous l'effet des vibrations, du temps et du passage de forts courants dans certains cas, l'électrode se retrouve séparée de la soudure qui l'entoure.
le 11/01/2026 à 18:38
Yes Gilles : soudure "craquée", ou fissurée, bref tout ce qu'il faut pour que de temps en temps ça marche, puis un jour le gros câble noir bouge d'un mini poil, et zoup, le jus ne passe plus ...
De plus, c'est pas toujours du 12V qui circule ... (crois-je ?)
Gilles, tes plans sont TOP moumoute !

Wiwy, en roulant tu peux "facilement" atteindre le gros câble noir, à droite sous le siège, pour tester en le bougeant "un peu" à la main ...

Et je suis de l'avis de Gédéon-Claude et de Wazz-Gilles pour l'ouverture du boitier Motronic : le bon conseil est "Touche pas à ça p'tit con" (conseil pour 99,9999 % de la population mondiale )
...
le 11/01/2026 à 19:01
Merci à tous pour vos conseils
Gédéon25, nous avons la même passion: Les flippers. Tu dois connaitre Didier dit " Le Doc" dans le monde du flipper.
Sinon, comme j'ai dis plus haut, dés que ça dépasse mes compétences, ou je n'ai pas le matériels, je donne aux pro.
Bertospid: Exemple de "soudures sèches" sur un afficheur Bally Williams (flipper)
"Wiwy, en roulant tu peux "facilement" atteindre le gros câble noir, à droite sous le siège, pour tester en le bougeant "un peu" à la main ..."
De quoi? Un gros câble noir entre mes jambes? A ça non!!!

Message édité le 11/01/2026
Message édité le 11/01/2026
le 11/01/2026 à 19:15
Pour obtenir les schémas en pleine définition, il faut les ouvrir dans un autre onglet, puis une fois sur le site postimages (postimg.cc), cliquer sur Télécharger l'image originale et enregistrer l'image sur votre PC. Sinon vous obtiendrez une version pas franchement zoomable à l'infini. Alors que ces jpg que j'ai retravaillés sont zoomables jusqu'au pixel près.
le 11/01/2026 à 19:32
Dixit WiwyMerci à tous pour vos conseils
Gédéon25, nous avons la même passion: Les flippers. Tu dois connaitre Didier dit " Le Doc" dans le monde du flipper.
Sinon, comme j'ai dis plus haut, dés que ça dépasse mes compétences, ou je n'ai pas le matériels, je donne aux pro.
Bertospid: Exemple de "soudures sèches" sur un afficheur Bally Williams (flipper)
"Wiwy, en roulant tu peux "facilement" atteindre le gros câble noir, à droite sous le siège, pour tester en le bougeant "un peu" à la main ..."
De quoi? Un gros câble noir entre mes jambes? A ça non!!!

Message édité le 11/01/2026Message édité le 11/01/2026
Soudures à contrôler et à refaire en priorité dans le DME. Ce sont celles qui pètent dans la partie allumage.
le 11/01/2026 à 19:37
Zut alors, j'ai bazardé mon flipper qui fonctionnait mal en pensant que personne ne voudrait ou serait capable de le réparer. Je l'ai gardé des années dans un coin avant de me décider à le jeter. J'aurai pu vous le donner. Ne m'en veuillez pas.
le 11/01/2026 à 19:58
@Fantomas911 : NON !!!!!!!!!!!!!!!!!!!!!!!!!!!!!!!!!!!!! cétait quoi comme flipp ??? vas y rend nous fou

Revenir à la liste des sujets